


使用范圍
可用于監測機艙設備、配電板等設備的工作狀態,采用了微處理技術。可監測34路開關量輸入點,并可將監測狀態延伸到復示器上。適用于各類大中小型船舶。
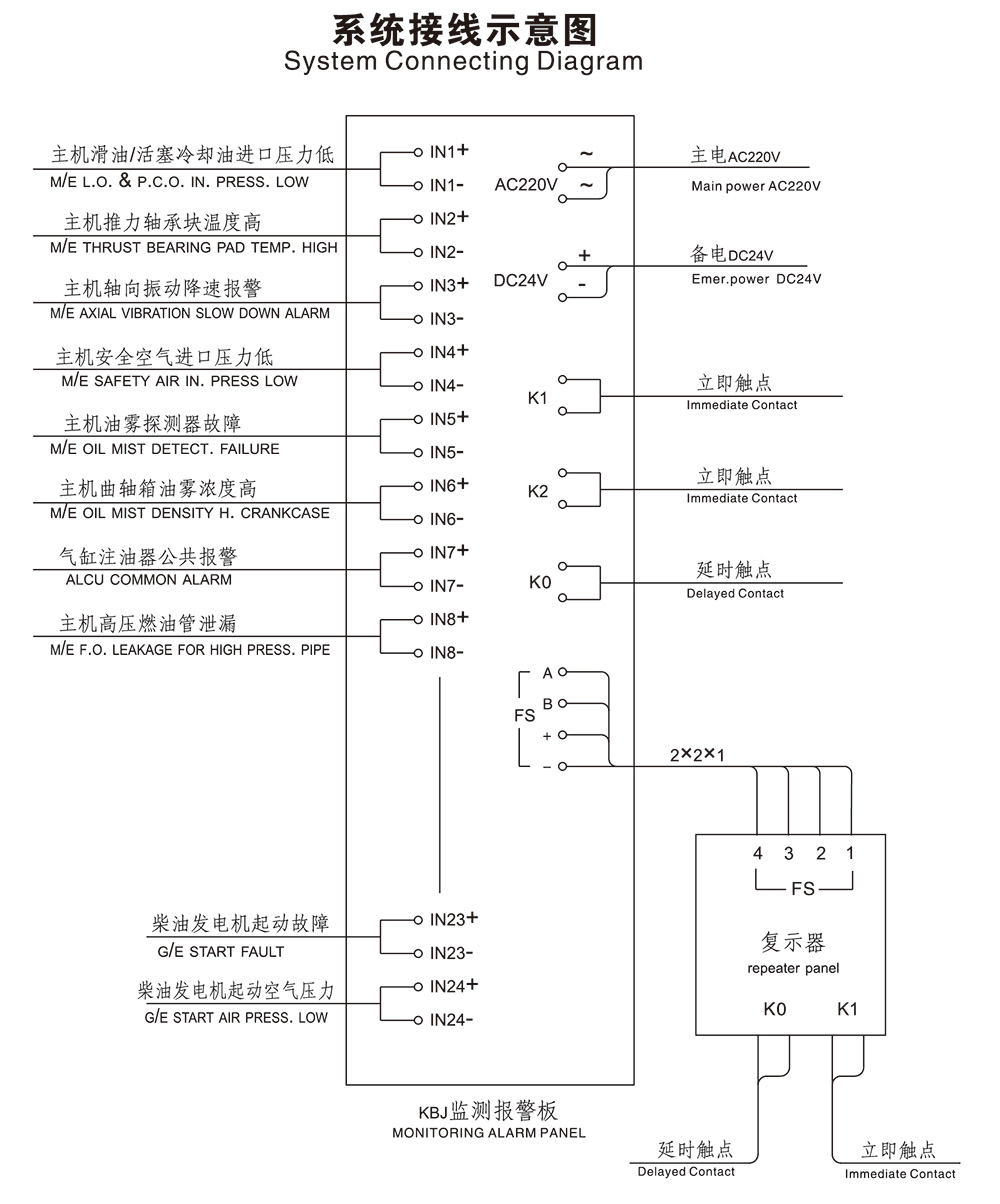
輸入信號:可根據實際情況設置成閉合或開路報警。當輸入信號發生變化時,相應LED指示燈閃亮,內置聲響器發聲,立即觸點閉合。
延時:當監測如液位、油位等信號時,可通過監測報警板設置輸入延時,以避免誤報警
試燈/調光:按面板上“試燈”鍵,可測試面板指示燈狀態,如按鍵時間超過兩秒則可進行調光
輸出信號:當有報警發生時,“立即輸出”觸點閉合,如果2分鐘后沒有應答,“延時觸點”閉合。按“消音”鍵可恢復。
復示器接口:最大可接4個復示器,采用串口通訊技術,可同步顯示監測狀態,主機和復示器之間用四芯電纜連接
技術參數
供電:AC220V±10%0.5A Dc24V±25%1A
立即觸點及延時觸點容量為AC250V0.6A或DC30V2A,輸出延時時間為2分鐘。
容量:KBJ-11最大為11路;KBJ-34最大為34路。(可按客戶要求設計最大64路)
使用環境:-5~55℃濕度不大于RH95
